91精品国产自产在线老师啪-免费无遮挡 漫画网站-虐乳淫刑(全肉)
吐鲁番市人民政府
政府信息公开
政策
地方性法规
政府规章
规范性文件
政府文件
+
2014
2015
2016
2017
2018
2019
2020
2021
2022
2023
2024
2025
政府办文件
+
2014
2015
2016
2017
2018
2019
2020
2021
2022
2023
2024
2025
政府信息公开指南
政府信息公开制度
法定主动公开内容
政府信息公开目录
+
本市概况
政府领导
领导信息
领导活动
机构职能
机构职能
政务会议
全体会
常务会
财政公开
财政预决算
招商引资
直达资金
采购招投标
重大决策
规划计划
统计信息
总结报告
人事管理
人事任免
招录招聘
国务院文件
自治区文件
政策法规
政府规章
政策解读
重大决策预公开
督察检查
督察通报
提案议案
援疆工作
政务公开标准目录
重点领域信息公开
+
预决算
部门预决算
城乡建设
债务信息
减税降费
重大建设项目
乡村振兴
公共服务
救助养老优抚
教育信息
医疗卫生(疫情防控)
文体旅游
社会保障
劳动就业
其他服务信息
公共企事业信息
公共监管
食药安全
食药品行政处罚案件
生态环境
生产安全
价格和收费
质量监督
自然资源
市场监管
应急管理
消防救援
重大建设项目批准和实施
公共资源交易和配置
社会公益事业建设
行政执法(事前公示)
行政执法(事后公布)
工作年度报表
权力清单
解读回应
+
热点回应
政策解读
“双公示”专栏
各部门预决算公开
各部门主动公开目录清单
行政许可/行政处罚
+
行政许可事项清单
行政许可公示信息
行政处罚公示信息
其他管理服务信息
政府信息公开年报
市政府本级
+
2024
2023
2022
2021
2020
2019
2018
2017
2016
2015
2014
2013
2012
2011
2010
2009
2008
各部门
+
2025
2024
2023
2022
2021
2020
2019
2018
2017
2016
2015
2014
2013
2012
依申请公开
其他
权责清单
-
市本级权责清单
各区县链接
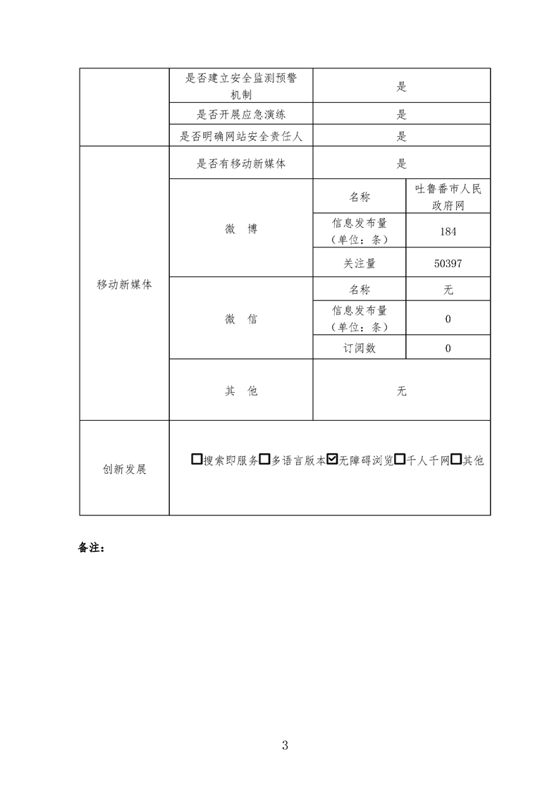
吐鲁番市政府网站工作年度报表(2025年度)
发布时间:
2026-01-16
浏览次数:
【字体:
大
中
小
】
相关链接:
附件下载: